○西はりま消防組合職員の勤務時間、休日、休暇等に関する条例施行規則

平成25年4月1日

規則第20号

(趣旨)

第1条 この規則は、西はりま消防組合職員の勤務時間、休日、休暇等に関する条例(平成25年西はりま消防組合条例第18号。以下「条例」という。)に定めるもののほか、必要な事項について定めるものとする。

(特別の形態によって勤務する必要のある職員の週休日及び勤務時間の割振りの基準)

第2条 任命権者は、条例第4条第2項本文の定めるところに従い週休日(条例第3条第1項に規定する週休日をいう。以下同じ。)及び勤務時間の割振りを定める場合には、勤務日(条例第5条に規定する勤務日をいう。次項及び次条において同じ。)が引き続き12日を超えないようにし、かつ、1回の勤務に割り振られる勤務時間が15時間30分を超えないようにしなければならない。

2 任命権者は、条例第4条第2項ただし書の定めるところに従い週休日及び勤務時間の割振りを定める場合には、次に掲げる基準に適合するように行わなければならない。

(1) 週休日が毎4週間につき4日以上とすること。

(2) 勤務日が引き続き12日を超えないこと。

(3) 1回の勤務に割り振られる勤務時間が15時間30分を超えないこと。

3 所属長は、事務の運営上必要があると認めるときは、職員に予告した上、勤務時間の割振りを臨時に変更することができる。

(週休日の振替等)

第3条 条例第5条の規則で定める期間は、同条の勤務することを命ずる必要がある日を起算日とする4週間前の日から当該勤務することを命ずる必要がある日を起算日とする8週間後の日までの期間とする。

2 任命権者は、週休日の振替(条例第5条の規定に基づき勤務日を週休日に変更して当該勤務日に割り振られた勤務時間を同条の勤務することを命ずる必要がある日に割り振ることをいう。以下この項において同じ。)又は半日勤務時間の割振り変更(同条の規定に基づき勤務日(半日勤務時間のみが割り振られている日を除く。以下この条において同じ。)のうち半日勤務時間を当該勤務日に割り振ることをやめて当該半日勤務時間を条例第5条の勤務することを命ずる必要がある日に割り振ることをいう。以下この条において同じ。)を行う場合には、週休日の振替又は半日勤務時間の割振り変更(以下「週休日の振替等」という。)を行った後において、週休日が毎4週間につき4日以上となるようにし、かつ、勤務日等(条例第3条第2項第4条又は第5条の規定により勤務時間が割り振られた日をいう。以下同じ。)が引き続き24日を超えないようにしなければならない。

3 任命権者は、半日勤務時間の割振り変更を行う場合には、第1項に規定する期間内にある勤務日の始業の時刻から連続し、又は終業の時刻まで連続する勤務時間について割り振ることをやめて行わなければならない。

(休憩時間の特例)

第4条 任命権者は、条例第6条第2項の定めるところに従い休憩時間を一斉に与えない場合には、一斉に休憩を与えない職員の範囲及び当該職員に対する休憩の与え方について、管理者に報告するものとする。

(週休日及び勤務時間の割振り等の明示)

第5条 任命権者は、条例第3条第2項の規定により勤務時間を割り振り、条例第4条の規定により週休日及び勤務時間の割振りを定め、又は条例第6条の規定により休憩時間を置いた場合には、適当な方法により速やかにその内容を明示するものとする。

(育児短時間勤務職員等についての適用除外等)

第6条 第2条の規定は、地方公務員の育児休業等に関する法律(平成3年法律第110号。以下「育児休業法」という。)第10条第1項に規定する育児短時間勤務(以下「育児短時間勤務」という。)をしている職員及び育児休業法第17条の規定による短時間勤務をしている職員(以下これらを「育児短時間勤務職員等」という。)には適用しない。

(宿日直勤務)

第7条 条例第7条第1項の規則で定める断続的な勤務は、本来の勤務に従事しないで行う庁舎、設備、備品、書類等の保全、外部との連絡、文書の収受及び庁内の監視を目的とする勤務とする。

2 任命権者は、休日で管理者が指定する日の正規の勤務時間において職員に前項に掲げる勤務と同様の勤務を命ずることができる。

3 任命権者は、職員に前2項に規定する勤務を命ずる場合には、当該勤務が過度にならないように留意しなければならない。

(時間外勤務を命ずる際の考慮)

第8条 任命権者は、職員に時間外勤務(条例第7条第2項の規定に基づき命ぜられて行う勤務をいう。以下同じ。)を命ずる場合には、職員の健康及び福祉を害しないように考慮しなければならない。

第8条の2 任命権者は、地方公務員法(昭和25年法律第261号。以下「法」という。)第22条の4第1項又は第22条の5第2項の規定により採用された職員(以下「定年前再任用短時間勤務職員」という。)に時間外勤務を命ずる場合には、定年前再任用短時間勤務職員の正規の勤務時間が常時勤務を要する職を占める職員の正規の勤務時間より短く定められている趣旨に十分留意しなければならない。

(時間外勤務を命ずる時間及び月数の上限)

第8条の2の2 任命権者は、職員に時間外勤務を命ずる場合には、次の各号に掲げる職員の区分に応じ、それぞれ当該各号に定める時間及び月数の範囲内で必要最小限の時間外勤務を命ずるものとする。

(1) 次号に規定する部署以外の部署に勤務する職員 次に掲げる職員の区分に応じ、それぞれ次に定める時間及び月数(にあっては、時間)

 に掲げる職員以外の職員 次の(ア)及び(イ)に定める時間

(ア) 1か月において時間外勤務を命ずる時間について45時間

(イ) 1年において時間外勤務を命ずる時間について360時間

 1年において勤務する部署が次号に規定する部署からこの号に規定する部署となった職員 次の(ア)及び(イ)に定める時間及び月数

(ア) 1年において時間外勤務を命ずる時間について720時間

(イ) 及び次号(を除く。)に規定する時間及び月数並びに職員の健康及び福祉を考慮して、管理者が定める期間において管理者が定める時間及び月数

(2) 他律的業務(業務量、業務の実施時期その他の業務の遂行に関する事項を自ら決定することが困難な業務をいう。)の比重が高い部署として任命権者が指定するものに勤務する職員 次のからまでに定める時間及び月数

 1か月において時間外勤務を命ずる時間について100時間未満

 1年において時間外勤務を命ずる時間について720時間

 1か月ごとに区分した各期間に当該各期間の直前の1か月、2か月、3か月、4か月及び5か月の期間を加えたそれぞれの期間において時間外勤務を命ずる時間の1か月当たりの平均時間について80時間

 1年のうち1か月において45時間を超えて時間外勤務を命ずる月数について6か月

2 任命権者が、特例業務(大規模災害への対処、重要な政策に関する条例の立案その他の重要な業務であって特に緊急に処理することを要するものと任命権者が認めるものをいう。以下この項において同じ。)に従事する職員に対し、前項各号に規定する時間又は月数を超えて時間外勤務を命ずる必要がある場合については、同項(当該超えることとなる時間又は月数に係る部分に限る。)の規定は、適用しない。管理者が定める期間において特例業務に従事していた職員に対し、同項各号に規定する時間又は月数を超えて時間外勤務を命ずる必要がある場合として管理者が定める場合も、同様とする。

3 任命権者は、前項の規定により、第1項各号に規定する時間又は月数を超えて職員に時間外勤務を命ずる場合には、当該超えた部分の時間外勤務を必要最小限のものとし、かつ、当該職員の健康の確保に最大限の配慮をするとともに、当該時間外勤務を命じた日が属する当該時間又は月数の算定に係る1年の末日の翌日から起算して6か月以内に、当該時間外勤務に係る要因の整理、分析及び検証を行わなければならない。

4 前3項に定めるもののほか、職員に時間外勤務を命ずる場合における時間及び月数の上限に関し必要な事項は、管理者が定める。

(時間外代休時間の指定)

第9条 条例第10条第1項の規則で定める期間は、西はりま消防組合職員の給与に関する条例(平成25年西はりま消防組合条例第24号。以下「給与条例」という。)第15条第4項に規定する60時間を超えて勤務した全時間に係る月(次項において「60時間超過月」という。)の末日の翌日から同日を起算日とする2か月後の日までの期間とする。

2 任命権者は、条例第10条第1項の規定に基づき時間外勤務代休時間(同項に規定する時間外勤務代休時間をいう。以下同じ。)を指定する場合には、前項に規定する期間内にある勤務日等(休日及び代休日(条例第12条第1項に規定する代休日をいう。以下同じ。)を除く。第4項において同じ。)に割り振られた勤務時間のうち、時間外勤務代休時間の指定に代えようとする時間外勤務手当の支給に係る60時間超過月における給与条例第15条第4項の規定の適用を受ける時間(以下この項及び第6項において「60時間超過時間」という。)次の各号に掲げる区分に応じ、当該各号に定める時間数の時間を指定するものとする。

(1) 給与条例第15条第1項第1号に掲げる勤務に係る時間(次号に掲げる時間を除く。) 当該時間に該当する60時間超過時間の時間数に100分の25を乗じて得た時間数

(2) 給与条例第15条第1項ただし書に規定する7時間45分に達するまでの間の勤務に係る時間 当該時間に該当する60時間超過時間の時間数に100分の50を乗じて得た時間数

(3) 給与条例第15条第1項第2号に掲げる勤務に係る時間 当該時間に該当する60時間超過時間の時間数に100分の15を乗じて得た時間数

3 前項の場合において、その指定は、半日又は1日(年次休暇の時間に連続して時間外勤務代休時間を指定する場合にあっては、当該年次休暇の時間の時間数と当該時間外勤務代休時間の時間数を合計した時間数が半日又は1日となる時間)を単位として行うものとする。

4 任命権者は、条例第10条第1項の規定により1回の勤務に割り振られた勤務時間の一部について時間外勤務代休時間を指定する場合には、第1項に規定する期間内にある勤務日等の始業の時刻から連続し、又は終業の時刻まで連続する勤務時間について行わなければならない。ただし、任命権者が、業務の運営並びに職員の健康及び福祉を考慮して必要があると認める場合は、この限りでない。

5 任命権者は、職員があらかじめ時間外勤務代休時間の指定を希望しない旨申し出た場合には、時間外勤務代休時間を指定しないものとする。

6 任命権者は、条例第10条第1項に規定する措置が60時間超過時間の勤務をした職員の健康及び福祉の確保に特に配慮したものであることに鑑み、前項に規定する場合を除き、当該職員に対して時間外勤務代休時間を指定するよう努めるものとする。

7 時間外勤務代休時間の指定の手続に関し必要な事項は、管理者が定める。

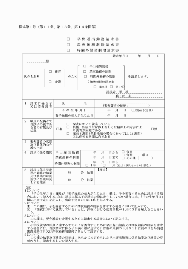
(早出遅出勤務の定義)

第10条 この条、次条から第16条までにおいて、次の各号に掲げる用語の意義は、当該各号に定めるところによる。

(1) 早出遅出勤務 始業及び終業の時刻を、職員が育児又は介護を行うためのものとしてあらかじめ定められた特定の時刻とする勤務時間の割振りによる勤務をいう。

(2) 深夜勤務 深夜(午後10時から翌日の午前5時までの間をいう。以下同じ。)における勤務をいう。

(3) 時間外勤務 条例第7条第2項に規定する勤務又は常勤を要しない職員のこれに相当する勤務をいう。

(育児を行う職員の早出遅出勤務の請求手続等)

第11条 職員は、早出遅出勤務請求書(様式第1号)により、早出遅出勤務を請求する一の期間(以下「早出遅出勤務期間」という。)について、その初日(以下「早出遅出勤務開始日」という。)及び末日(以下「早出遅出勤務終了日」という。)とする日を明らかにして、あらかじめ条例第8条第1項の規定による請求を行うものとする。

2 前項の規定による請求があった場合においては、任命権者は、公務の運営の支障の有無について、速やかに当該請求をした職員に対し通知しなければならない。当該通知後において、公務の運営に支障が生じる日があることが明らかとなった場合にあっては、任命権者は、当該日の前日までに、当該請求をした職員に対しその旨を通知しなければならない。

3 任命権者は、第1項の請求に係る理由について確認する必要があると認めるときは、当該請求をした職員に対して証明書類の提出を求めることができる。

4 第1項の規定による請求がされた後、早出遅出勤務開始日とされた日の前日までに、次の各号に掲げるいずれかの事由が生じた場合には、当該請求はされなかったものとみなす。

(1) 当該請求に係る子が死亡した場合

(2) 当該請求に係る子が離縁又は養子縁組の取消しにより当該請求をした職員の子でなくなった場合

(3) 当該請求をした職員が当該請求に係る子と同居しないこととなった場合

(4) 当該請求に係る特別養子縁組の成立前の監護対象者等が民法(明治29年法律第89号)第817条の2第1項の規定による請求に係る家事審判事件が終了したこと(特別養子縁組の成立の審判が確定した場合を除く。)又は養子縁組が成立しないまま児童福祉法(昭和22年法律第164号)第27条第1項第3号の規定による措置が解除されたことにより当該特別養子縁組の成立前の監護対象者等でなくなった場合

(5) 第1号第2号又は前号に掲げる場合のほか、当該請求をした職員が第8条に規定する職員に該当しなくなった場合

5 早出遅出勤務開始日以後、早出遅出勤務終了日とされた日の前日までに、前項各号に掲げるいずれかの事由が生じた場合には、第1項の規定による請求は、当該事由が生じた日を早出遅出勤務期間の末日とする請求であったものとみなす。

6 前2項の場合において、職員は遅滞なく、育児又は介護の状況変更届(様式第2号)により、第4項各号に掲げる事由が生じた旨を任命権者に届け出なければならない。

7 第3項の規定は、前項の届出について準用する。

(育児を行う職員の深夜勤務の制限)

第12条 条例第9条第1項の規則で定める者は、次の各号のいずれにも該当するものとする。

(1) 深夜において就業していない者(深夜における就業日数が1か月について3日以下の者を含む。)であること。

(2) 負傷、疾病又は身体上若しくは精神上の障害により請求に係る子を養育することが困難な状態にある者でないこと。

(3) 8週間(多胎妊娠の場合にあっては、14週間)以内に出産する予定である者又は産後8週間を経過しない者でないこと。

(育児を行う職員の深夜勤務の制限の請求手続等)

第13条 条例第9条第1項の規定により深夜における勤務(以下「深夜勤務」という。)の制限を請求しようとする職員は、深夜勤務制限請求書(様式第1号)により、深夜勤務の制限を請求する一の期間(6か月以内の期間に限る。以下「深夜勤務制限期間」という。)について、その初日(以下「深夜勤務制限開始日」という。)及び末日(以下「深夜勤務制限終了日」という。)とする日を明らかにして、深夜勤務制限開始日の1か月前までに請求を行わなければならない。

2 前項の請求があった場合においては、任命権者は、公務の運営の支障の有無について、速やかに当該請求をした職員に対して通知しなければならない。当該通知後において、公務の運営に支障が生じる日があることが明らかとなった場合にあっては、任命権者は、当該日の前日までに、当該請求をした職員に対してその旨を通知しなければならない。

3 任命権者は、第1項の請求に係る事由について確認する必要があると認めるときは、当該請求をした職員に対して証明書類の提出を求めることができる。

4 第1項の請求がされた後、深夜勤務制限開始日とされた日の前日までに、次の各号に掲げるいずれかの事由が生じた場合には、当該請求はされなかったものとみなす。

(1) 当該請求に係る子が死亡した場合

(2) 当該請求に係る子が離縁又は養子縁組の取消しにより当該請求をした職員の子でなくなった場合

(3) 当該請求をした職員が当該請求に係る子と同居しないこととなった場合

(4) 当該請求に係る特別養子縁組の成立前の監護対象者等が民法第817条の2第1項の規定による請求に係る家事審判事件が終了したこと(特別養子縁組の成立の審判が確定した場合を除く。)又は養子縁組が成立しないまま児童福祉法第27条第1項第3号の規定による措置が解除されたことにより当該特別養子縁組の成立前の監護対象者等でなくなった場合

(5) 第1号第2号又は前号に掲げる場合のほか、当該請求をした職員が第9条に規定する職員に該当しなくなった場合

5 深夜勤務制限開始日以後、深夜勤務制限終了日とされた日の前日までに、前項各号に掲げるいずれかの事由が生じた場合には、第1項の規定による請求は、当該事由が生じた日を深夜勤務制限期間の末日とする請求であったものとみなす。

6 前2項の場合において、職員は、遅滞なく育児又は介護の状況変更届(様式第2号)により、第4項に掲げる事由が生じた旨を任命権者に届け出なければならない。

7 第3項の規定は、前項の届出について準用する。

(育児を行う職員の時間外勤務の制限の請求手続等)

第14条 条例第9条第2項又は第3項の規定により条例第7条第2項に規定する勤務(以下「時間外勤務」という。)の制限を請求しようとする職員は、時間外勤務制限請求書(様式第1号)により、時間外勤務の制限を請求する一の期間について、その初日(以下「時間外勤務制限開始日」という。)及び期間(1年又は1年に満たない月を単位とする期間に限る。)を明らかにして、時間外勤務制限開始日の前日までに請求を行わなければならない。この場合において、条例第9条第2項の規定による請求に係る期間と同条第3項の規定による請求に係る期間とが重複しないようにしなければならない。

2 前項の請求があった場合においては、任命権者は、条例第9条第2項又は第3項に規定する措置を講ずることが著しく困難であるかどうかについて、速やかに当該請求をした職員に対して通知しなければならない。

3 任命権者は、第1項の請求が、当該請求のあった日の翌日から起算して1週間を経過する日(以下「1週間経過日」という。)の前日を時間外勤務制限開始日とする請求であった場合で、条例第9条第2項又は第3項に規定する措置を講ずるために必要があると認めるときは、当該時間外勤務制限開始日から1週間経過日までの間のいずれかの日に時間外勤務制限開始日を変更することができる。

4 任命権者は、前項の規定により時間外勤務制限開始日を変更した場合においては、当該時間外勤務制限開始日を当該変更前の時間外勤務制限開始日の前日までに当該請求をした職員に対して通知しなければならない。

5 任命権者は、第1項の請求に係る理由について確認する必要があると認めるときは、当該請求をした職員に対して証明書類の提出を求めることができる。

6 第1項の請求がされた後時間外勤務制限開始日の前日までに、次の各号に掲げるいずれかの事由が生じた場合には、当該請求はされなかったものとみなす。

(1) 当該請求に係る子が死亡した場合

(2) 当該請求に係る子が離縁又は養子縁組の取消しにより当該請求をした職員の子でなくなった場合

(3) 職員が当該請求に係る子と同居しないこととなった場合

(4) 当該請求に係る特別養子縁組の成立前の監護対象者等が民法第817条の2第1項の規定による請求に係る家事審判事件が終了したこと(特別養子縁組の成立の審判が確定した場合を除く。)又は養子縁組が成立しないまま児童福祉法第27条第1項第3号の規定による措置が解除されたことにより当該特別養子縁組の成立前の監護対象者等でなくなった場合

(5) 第1号第2号又は前号に掲げる場合のほか、当該請求をした職員が条例第9条第2項及び第3項に規定する職員に該当しなくなった場合

7 時間外勤務制限開始日から起算して条例第9条第2項又は第3項の規定による請求に係る期間を経過する日の前日までの間に、次の各号に掲げるいずれかの理由が生じた場合には、これらの規定による請求は、時間外勤務制限開始日から当該理由が生じた日までの期間についての請求であったものとみなす。

(1) 前項各号のいずれかの事由が生じた場合

(2) 当該請求に係る子が小学校就学の始期に達した場合

8 前2項の場合において、職員は、遅滞なく育児又は介護の状況変更届(様式第2号)により、第6項に掲げる事由が生じた旨を任命権者に届け出なければならない。

9 第5項の規定は、前項の規定による届出について準用する。

(介護を行う職員の早出遅出勤務並びに深夜勤務及び時間外勤務の制限)

第15条 第11条から第13条まで及び前条の規定は、条例第17条第1項に規定する日常生活を営むのに支障がある者(以下この条において「要介護者」という。)を介護する職員について準用する。この場合において、第11条第4項(第2号を除く。)第12条第13条第4項(第2号を除く。)及び前条第6項(第2号を除く。)中「子」とあるのは「要介護者」と、第12条第2号中「養育する」とあるのは「介護する」と、第11条第4項第2号第13条第4項第2号及び前条第6項第2号中「子が離縁又は養子縁組の取消しにより当該申請をした職員の子でなくなった」とあるのは「要介護者と職員との親族関係が消滅した」と、前条第1項中「条例第9条第2項又は第3項」とあるのは「条例第9条第3項」と、「ならない。この場合において、条例第9条第2項の規定による請求に係る期間と同条第3項の規定による請求に係る期間とが重複しないようにしなければならない」とあるのは「ならない」と、前条第7項中「次の各号」とあるのは「前項第1号又は第2号」と、「これら」とあるのは「条例第9条第3項」と読み替えるものとする。

(深夜勤務及び時間外勤務の制限に関し必要な事項)

第16条 第11条から前条までに規定するもののほか、育児又は介護を行う職員の深夜勤務及び時間外勤務の制限に関し必要な事項は、管理者が定める。

(代休日の指定)

第17条 条例第12条第1項の規定に基づく代休日の指定は、勤務することを命じた休日を起算日とする8週間後の日までの期間内にあり、かつ、当該休日に割り振られた勤務時間と同一の時間数の勤務時間が割り振られた勤務日等(条例第10条第1項の規定により時間外勤務代休時間が指定された勤務日等及び休日を除く。)について行わなければならない。

2 任命権者は、職員があらかじめ代休日の指定を希望しない旨申し出た場合には、代休日を指定しないものとする。

3 代休日の指定の手続に関し必要な事項は、管理者が定める。

(年次休暇の日数)

第18条 条例第14条第1項第1号の規則で定める日数は、次の各号に掲げる職員の区分に応じ、当該各号に定める日数(1日未満の端数があるときは、これを四捨五入して得た日数)とする。ただし、その日数が労働基準法(昭和22年法律第49号)第39条の規定により付与すべきものとされている日数を下回る場合には、同条の規定により付与すべきものとされている日数とする。

(1) 斉一型短時間勤務職員(定年前再任用短時間勤務職員及び育児短時間勤務職員等のうち、1週間ごとの勤務日の日数及び勤務日ごとの勤務時間の時間数が同一であるものをいう。以下同じ。) 20日に1週間の勤務日の日数を5日で除して得た数を乗じて得た日数

(2) 不斉一型短時間勤務職員(定年前再任用短時間勤務職員及び育児短時間勤務職員等のうち、斉一型短時間勤務職員以外のものをいう。以下同じ。) 155時間に条例第2条第2項又は第3項に基づき定められた勤務時間を38時間45分で除して得た数を乗じて得た時間数を、7時間45分を1日として日に換算して得た日数

2 条例第14条第1項第2号の規則で定める日数は、次の各号に掲げる職員の区分に応じ、当該各号に定める日数とする。

(1) 当該年度の中途において、新たに職員となったもの(次号に掲げる職員を除く。) その者の当該年度における在職期間に応じ、別表第1の日数欄に掲げる日数(定年前再任用短時間勤務職員及び育児短時間勤務職員等にあっては、その者の勤務時間等を考慮し、管理者が別に定める日数)(以下この条において「基本日数」という。)

(2) 当該年度において地方公営企業等の労働関係に関する法律適用職員等(条例第14条第1項第3号に規定する地方公営企業等の労働関係に関する法律適用職員等をいう。以下この条において同じ。)となった者で、引き続き新たに職員となったもの 地方公営企業等の労働関係に関する法律適用職員等となった日において新たに職員となったものとみなした場合におけるその者の在職期間に応じた別表第1の日数欄に掲げる日数から、新たに職員となった日の前日までの間に使用した年次休暇に相当する休暇の日数を減じて得た日数(定年前再任用短時間勤務職員の規定により採用された職員をいう。第5項第3号において同じ。)にあっては、その者の勤務時間等を考慮し、管理者が別に定める日数)(当該日数が基本日数に満たない場合にあっては、基本日数)

3 条例第14条第1項第3号の規則で定める法人は、次に掲げる法人とする。

(1) 国家公務員退職手当法施行令(昭和28年政令第215号)第9条の2各号に掲げる法人

(2) 前号に掲げる法人のほか、管理者がこれらに準ずる法人であると認めるもの

4 条例第14条第1項第3号の規則で定める職員は、前年度において職員であった者であって引き続き当該年度に地方公営企業等の労働関係に関する法律適用職員等になり引き続き再び職員となったものとする。

5 条例第14条第1項第3号の規則で定める日数は、次の各号に掲げる職員の区分に応じ、当該各号に定める日数(当該日数が基本日数に満たない場合にあっては、基本日数)とする。

(1) 当該年度の初日に職員となった場合 20日に前年度における年次休暇に相当する休暇又は年次休暇の残日数(当該残日数が20日を超える場合にあっては、20日)を加えて得た日数

(2) 当該年度の初日後に職員となった場合 前号の日数から職員となった日の前日までの間に使用した年次休暇に相当する休暇又は年次休暇の日数を減じて得た日数

(3) 定年前再任用短時間勤務職員 その者の勤務時間等を考慮し、管理者が別に定める日数

6 第2項第2号に掲げる職員及び前項の規定の適用を受ける職員のうちその者の使用した年次休暇に相当する休暇の日数が明らかでないものの年次休暇の日数についてはこれらの規定にかかわらず、管理者が別に定める日数とする。

第19条 次の各号に掲げる場合において、1週間ごとの勤務日の日数又は勤務日ごとの勤務時間の時間数(以下「勤務形態」という。)が変更されるときの当該変更の日以後における職員の年次休暇の日数は、当該年の初日に当該変更の日の勤務形態を始めた場合にあっては条例第14条第1項第1号又は第2号に掲げる日数に同条第2項の規定により当該年の前年から繰り越された年次休暇の日数を加えて得た日数とし、当該年の初日後に当該変更後の勤務形態を始めた場合において、同日以前に当該変更前の勤務形態を始めたときにあっては当該日数から当該年において当該変更の日の前日までに使用した年次休暇の日数を減じて得た日数に、次の各号に掲げる場合に応じ、当該各号に掲げる率を乗じて得た日数(1日未満の端数があるときは、これを四捨五入して得た日数)とし、当該年の初日後に当該変更前の勤務形態を始めたときにあっては当該勤務形態を始めた日においてこの条の規定により得られる日数から同日以後当該変更の日の前日までに使用した年次休暇の日数を減じて得た日数に、次の各号に掲げる場合に応じ、当該各号に掲げる率を乗じて得た日数(1日未満の端数があるときは、これを四捨五入して得た日数)とする。ただし、その日数が労働基準法第39条の規定により付与すべきものとされている日数を下回る場合には、同条の規定により付与すべきものとされている日数とする。

(1) 定年前再任用短時間勤務職員及び育児短時間勤務職員等以外の職員が1週間ごとの勤務日の日数及び勤務日ごとの勤務時間の時間数が同一である育児短時間勤務(以下この条において「斉一型育児短時間勤務」という。)を始める場合、斉一型育児短時間勤務をしている職員が引き続いて勤務形態を異にする斉一型育児短時間勤務を始める場合又は育児短時間勤務職員等が斉一型育児短時間勤務若しくは斉一型短時間勤務(育児休業法第17条の規定による短時間勤務のうち、1週間ごとの勤務日の日数及び勤務日ごとの勤務時間の時間数が同一であるものをいう。次号において同じ。)を終える場合 勤務形態の変更後における1週間の勤務日の日数を当該勤務形態の変更前における1週間の勤務日の日数で除して得た率

(2) 定年前再任用短時間勤務職員及び育児短時間勤務職員等以外の職員が斉一型育児短時間勤務以外の育児短時間勤務(以下この条において「不斉一型育児短時間勤務」という。)を始める場合、不斉一型育児短時間勤務をしている職員が引き続いて勤務形態を異にする不斉一型育児短時間勤務を始める場合又は育児短時間勤務職員等が不斉一型育児短時間勤務若しくは育児休業法第17条の規定による短時間勤務のうち斉一型短時間勤務以外のものを終える場合 勤務形態の変更後における1週間当たりの勤務時間の時間数を当該勤務形態の変更前における1週間当たりの勤務時間の時間数で除して得た率

(3) 斉一型育児短時間勤務をしている職員が引き続いて不斉一型育児短時間勤務を始める場合 勤務形態の変更後における1週間当たりの勤務時間の時間数を当該勤務形態の変更前における勤務日ごとの勤務時間の時間数を7時間45分とみなした場合の1週間当たりの勤務時間の時間数で除して得た率

(4) 不斉一型育児短時間勤務をしている職員が引き続いて斉一型育児短時間勤務を始める場合 勤務形態の変更後における勤務日ごとの勤務時間の時間数を7時間45分とみなした場合の1週間当たりの勤務時間の時間数を当該勤務形態の変更前における1週間当たりの勤務時間の時間数で除して得た率

(年次休暇の繰越し)

第20条 条例第14条第2項の規則で定める日数は、1年度における年次休暇の残日数が20日(第18条第1項各号に掲げる職員にあっては、同項の規定による日数)を超えない範囲内の残日数(翌年度の初日に勤務形態が変更される場合にあっては、当該残日数に前条各号に掲げる場合に応じ、当該各号に定める率を乗じて得た日数とし、1日未満の端数があるときはこれを切り捨てた日数とする。)ただし、当該1年度における全勤務日の8割以上出勤しない職員にあっては、当該年度に労働基準法第39条第1項及び第2項の規定により与えなければならない年次休暇の日数を超えない範囲内の残日数とする。

(年次休暇の単位)

第21条 年次休暇の単位は、1日又は半日(定年前再任用短時間勤務職員及び育児短時間勤務職員等にあっては、1日)とする。ただし、特に必要があると認められるときは、1時間を単位とすることができる。

2 前項の規定にかかわらず、不斉一型短時間勤務職員の年次休暇の単位は、1日又は1時間とする。

3 1時間を単位として使用した年次休暇を日に換算する場合には、次の各号に掲げる職員の区分に応じ、当該各号に定める時間数をもって1日とする。

(1) 次号に掲げる職員以外の職員 7時間45分

(2) 育児休業法第10条第1項第1号から第4号までに掲げる勤務の形態の育児短時間勤務職員等 次に掲げる規定に掲げる勤務の形態の区分に応じ、次に掲げる時間数

 育児休業法第10条第1項第1号 3時間55分

 育児休業法第10条第1項第2号 4時間55分

 育児休業法第10条第1項第3号又は第4号 7時間45分

(3) 斉一型短時間勤務職員(前号に掲げる職員のうち、斉一型短時間勤務職員を除く。) 勤務日ごとの勤務時間の時間数(1分未満の端数があるときは、これを切り捨てた時間)

(4) 不斉一型短時間勤務職員(第2号に掲げる職員のうち、不斉一型短時間勤務職員を除く。) 7時間45分

(病気休暇)

第22条 条例第15条の規則で定める期間は、次の各号に掲げる場合の区分に応じ、当該各号に定める期間とする。

(1) 公務による負傷若しくは疾病(結核性疾患にあっては、医師の診断により、療養又は休養を要することとされたものを含む。以下この条において同じ。)又は通勤(地方公務員災害補償法(昭和42年法律第121号)第2条第2項及び第3項に規定する通勤をいう。)による負傷若しくは疾病の場合 任命権者が必要と認める期間

(2) 前号に規定する負傷又は疾病以外の負傷又は疾病の場合 引き続き90日(結核性疾患にあっては、引き続き1年)を超えない範囲内で任命権者が必要と認める期間

2 病気休暇の範囲は、1日又は1時間とする。

(特別休暇)

第23条 条例第16条の規則で定める場合は、次の各号に掲げる場合とし、その期間は、当該各号に定める期間とする。

(1) 職員が選挙権その他公民としての権利を行使する場合で、その勤務しないことがやむを得ないと認められるとき 必要と認められる期間

(2) 職員が裁判員、証人、鑑定人、参考人等として国会、裁判所、地方公共団体の議会その他官公署へ出頭する場合で、その勤務しないことがやむを得ないと認められるとき 必要と認められる期間

(3) 職員が骨髄移植のための骨髄若しくは末梢血幹細胞移植のための末梢血幹細胞の提供希望者としてその登録を実施する者に対して登録の申出を行い、又は配偶者、父母、子及び兄弟姉妹以外の者に、骨髄移植のため骨髄若しくは末梢血幹細胞移植のため末梢血幹細胞を提供する場合で、当該申出又は提供に伴い必要な検査、入院等のため勤務しないことがやむを得ないと認められるとき 必要と認められる期間

(4) 職員が自発的に、かつ、報酬を得ないで次に掲げる社会に貢献する活動(専ら親族に対する支援となる活動を除く。)を行う場合で、その勤務しないことが相当であると認められるとき 1年度において5日の範囲内の期間

 地震、暴風雨、噴火等により相当規模の災害が発生した被災地又はその周辺の地域における生活関連物資の配布その他の被災者を支援する活動

 障害者支援施設、介護老人福祉施設その他の主として身体上若しくは精神上の障害がある者又は負傷し、若しくは疾病にかかった者に対して必要な措置を講ずることを目的とする施設であって管理者が定めるものにおける活動

 及びに掲げる活動のほか、身体上若しくは精神上の障害、負傷又は疾病により常態として日常生活を営むのに支障がある者の介護その他の日常生活を支援する活動

(5) 職員が結婚する場合で、結婚式、旅行その他の結婚に伴い必要と認められる行事等のため勤務しないことが相当であると認められるとき 管理者が定める期間内における連続する5日の範囲内の期間

(6) 職員が不妊治療に係る通院等のため勤務しないことが相当であると認められる場合 1年度において5日(当該通院等が体外受精及び顕微授精に係るものである場合にあっては、10日)の範囲内の期間

(7) 妊娠中又は出産後1年以内の女性職員が母子保健法(昭和40年法律第141号)第10条に規定する保健指導又は同法第13条第1項に規定する健康診査を受ける場合 妊娠23週までは4週間に1回、妊娠24週から35週までは2週間に1回、妊娠36週から出産までは1週間に1回、産後1年まではその間に1回(医師等の特別の指示があった場合には、いずれの期間についてもその指示された回数)につき、その都度必要と認められる期間

(8) 8週間(多胎妊娠の場合にあっては、14週間)以内に出産する予定である女性職員が申し出た場合 出産の日までの申し出た期間

(9) 女性職員が出産した場合 出産の日の翌日から8週間を経過する日までの期間(産後6週間を経過した女性職員が就業を申し出た場合において医師が支障がないと認めた業務に就く期間を除く。)

(10) 生後1年に達しない子を育てる女性職員が、その子の保育のために必要と認められる授乳等を行う場合 1日2回それぞれ30分以内の期間(男性職員にあっては、その子の当該職員以外の親が当該職員がこの号の休暇を使用しようとする日におけるこの号の休暇(これに相当する休暇を含む。)を承認され、又は労働基準法第67条の規定により同日における育児時間を請求した場合は、1日2回それぞれ30分から当該承認又は請求に係る各回ごとの期間を差し引いた期間を超えない期間)

(11) 職員が妻(届出をしないが事実上婚姻関係と同様の事情にある者を含む。次号において同じ。)の出産に伴い勤務しないことが相当であると認められる場合 管理者が定める期間内における2日の範囲内の期間

(12) 職員の妻が出産する場合であって、その出産予定日の8週間(多胎妊娠の場合にあっては、14週間)前の日から当該出産の日以後1年を経過する日までの期間にある場合において、当該出産に係る子又は小学校就学の始期に達するまでの子(妻の子を含む。)を養育する職員が、これらの子の養育のため勤務しないことが相当であると認められるとき 当該期間内における5日の範囲内の期間

(13) 9歳に達する日以後の最初の3月31日までの間にある子(配偶者の子を含む。以下この号において同じ。)を養育する職員が、その子の看護等(負傷し、若しくは疾病にかかったその子の世話、疾病の予防を図るために必要なものとして管理者が定めるその子の世話若しくは学校保健安全法(昭和33年法律第56号)第20条の規定による学校の休業その他これに準ずるものとして管理者が定める事由に伴うその子の世話を行うこと又はその子の教育若しくは保育に係る行事のうち管理者が定めるものへの参加をすることことをいう。)のため勤務しないことが相当であると認められる場合 1年度において5日(その養育する9歳に達する日以後の最初の3月31日までの間にある子が2人以上の場合にあっては、10日)の範囲内の期間

(14) 条例第17条第1項に規定する日常生活を営むのに支障がある者(以下この号において「要介護者」という。)の介護その他の管理者が定める世話を行う職員が、当該世話を行うため勤務しないことが相当であると認められる場合 1年度において5日(要介護者が2人以上の場合にあっては、10日)の範囲内の期間

(15) 職員の親族(別表第2の親族欄に掲げる親族に限る。)が死亡した場合で、職員が葬儀、服喪その他の親族の死亡に伴い必要と認められる行事等のため勤務しないことが相当であると認められるとき 親族に応じ同表の日数欄に掲げる連続する日数(葬儀のため遠隔の地に赴く場合にあっては、往復に要する日数を加えた日数)の範囲内の期間

(16) 職員が父母の追悼のための特別な行事(父母の死亡後管理者の定める年数内に行われるものに限る。)のため勤務しないことが相当であると認められる場合 1日の範囲内の期間

(17) 職員が夏季における盆等の諸行事、心身の健康の維持及び増進又は家庭生活の充実のため勤務しないことが相当であると認められる場合 1年度の6月から9月までの期間内における週休日、条例第10条第1項の規定により割り振られた勤務時間の全部について時間外勤務代休時間が指定された勤務日等、休日及び代休日を除いて原則として連続する5日の範囲内の期間

(18) 地震、水害、火災その他の災害により職員の現住居が滅失し、又は損壊した場合で、職員が当該住居の復旧作業等のため勤務しないことが相当であると認められるとき 必要と認められる期間

(19) 地震、水害、火災その他の災害又は交通機関の事故等により出勤することが著しく困難であると認められる場合 必要と認められる期間

(20) 地震、水害、火災その他の災害時において、職員が通勤途上における身体の危険を回避するため勤務しないことがやむを得ないと認められる場合 必要と認められる期間

(21) 女性職員が生理日において勤務することが著しく困難であるとして休暇を請求したとき 2日を超えない範囲内で職員が請求した期間

(22) 妊娠中の女性職員が請求した場合で、その者の業務が母体又は胎児の健康保持に影響があると認められるとき 適宜休息し、又は補食するために必要な時間

(23) 妊娠中の女性職員が通勤に利用する交通機関の混雑の程度が母体又は胎児の健康保持に影響があると認める場合 正規の勤務時間の始め又は終わりにおいて1日を通じて1時間を超えない範囲内で必要と認められる時間

2 前項第6号及び第11号から第14号までの休暇(以下この条において「特定休暇」という。)の単位は、1日又は1時間(定年前再任用短時間勤務職員にあっては、1時間)とする。ただし、特定休暇の残日数の全てを使用しようとする場合において、当該残日数に1時間未満の端数があるときは、当該残日数の全てを使用することができる。

3 1日を単位とする特定休暇は、1回の勤務に割り振られた勤務時間の全てを勤務しないときに使用するものとする。

4 1時間を単位として使用した特定休暇を日に換算する場合には、次の各号に掲げる職員の区分に応じ、当該各号に定める時間数をもって1日とする。

(1) 次号及び第3号に掲げる職員以外の職員 7時間45分

(2) 斉一型短時間勤務職員 勤務日ごとの勤務時間の時間数(7時間45分を超える場合にあっては、7時間45分とし、1分未満の端数があるときは、これを切り捨てた時間)

(3) 不斉一型短時間勤務職員 7時間45分

(介護休暇)

第24条 条例第17条第1項の規則で定める者は、次に掲げる者であって職員と同居しているものとする。

(1) 祖父母、孫及び兄弟姉妹

(2) 職員又は配偶者(届出をしないが事実上婚姻関係と同様の事情にある者を含む。別表第2において同じ。)との間において事実上父母と同様の関係にあると認められる者及び職員との間において事実上子と同様の関係にあると認められる者で管理者が定めるもの

2 条例第17条第1項の規則で定める期間は、2週間以上の期間とする。

3 介護休暇の単位は、1日又は1時間とする。

4 1時間を単位とする介護休暇は、1日を通じ4時間の範囲内とする。

(休暇の単位の換算)

第25条 休暇の単位を日に換算する場合には、半日単位のときは2回をもって、1時間単位のときは7時間45分をもって1日とする。

(病気休暇又は特別休暇の承認)

第26条 条例第18条の規則で定める特別休暇は、第23条第1項第8号及び第9号の休暇とする。

第27条 任命権者は、病気休暇又は特別休暇(前条に規定するものを除く。第29条第1項において同じ。)の請求について、条例第15条又は第16条に該当すると認めるときは、これを承認しなければならない。ただし、公務の運営に支障があり、他の時期においても当該休暇の目的を達することができると認められる場合は、この限りでない。

(介護休暇の承認)

第28条 任命権者は、介護休暇の請求について、条例第17条第1項に定める場合に該当すると認めるときは、これを承認しなければならない。ただし、当該請求に係る期間のうち公務の運営に支障がある日又は時間については、この限りでない。

(年次休暇又は病気休暇もしくは特別休暇の請求等)

第29条 年次休暇の請求をしようとする職員又は病気休暇もしくは特別休暇の承認を受けようとする職員は、休暇簿により任命権者に請求しなければならない。

2 前項の場合において、病気、災害その他やむを得ない理由によりあらかじめ請求できなかったときは、その理由を付して事後において請求し、又は承認を求めることができる。

3 第23条第1項第9号に掲げる場合に該当することとなった女性職員は、その旨を速やかに任命権者に届け出るものとする。

(介護休暇の請求)

第30条 介護休暇の承認を受けようとする職員は、休暇簿に記入して任命権者に請求しなければならない。

2 前項の場合において、条例第17条第2項に規定する介護を必要とする一の継続する状態について初めて介護休暇の承認を受けようとするときは、2週間以上の期間について一括して請求しなければならない。

(休暇の承認の決定等)

第31条 第29条第1項の請求(年次休暇を除く。)又は前条第1項の請求があった場合においては、任命権者は速やかに承認するかどうかを決定し、当該請求を行った職員に対して当該決定を通知するものとする。

2 任命権者は、病気休暇、特別休暇又は介護休暇について、その理由を確認する必要があると認めるときは、証明書類の提出を求めることができる。

(条例第18条の2第2項の規則で定める期間)

第31条の2 条例第18条の2第2項の規則で定める期間は、同項に規定する対象職員の子が1歳11か月に達する日の翌々日から2歳11か月に達する日の翌日までの1年間とする。

(休暇簿)

第32条 休暇簿に関し必要な事項は、管理者が定める。

(補則)

第33条 第18条から前条までに規定するもののほか、休暇に関し必要な事項は、別に定める。

(正規の勤務時間及び休日の代休日についての別段の定め)

第34条 任命権者は、業務若しくは勤務条件の特殊性又は地域的若しくは季節的事情により、第2条第3条第9条第1項及び第3項並びに第17条第1項の規定によると、能率を甚だしく阻害し、又は職員の健康若しくは安全に有害な影響を及ぼす場合には、管理者の承認を得て、週休日、勤務時間の割振り、週休日の振替等、時間外勤務代休時間の指定又は代休日の指定について別段の定めをすることができる。

(報告)

第35条 管理者は、必要があると認めるときは、任命権者に対し、勤務時間、休暇等に関する事務の実施状況について報告を求めることができる。

(施行期日)

1 この規則は、平成25年4月1日から施行する。

(経過措置)

2 この規則の施行の日の前日までに相生市、たつの市、宍粟市又は佐用町の職員であった者で、引き続き西はりま消防組合に採用されたものについて、同日前に相生市職員の勤務時間等に関する条例施行規則(昭和32年相生市規則第10号)、たつの市職員の勤務時間、休日、休暇等に関する条例施行規則(平成17年たつの市規則第31号)、宍粟市職員の勤務時間、休日、休暇等に関する規則(平成17年宍粟市規則第31号)又は佐用町職員の勤務時間、休暇等に関する規則(平成17年佐用町規則第25号)の規定によりなされた処分、手続その他の行為は、それぞれこの規則の相当規定によりなされたものとみなす。

(平成27年3月31日規則第1号)

この規則は、平成27年4月1日から施行する。

(平成28年3月31日規則第13号)

この規則は、平成28年4月1日から施行する。

(平成29年2月24日規則第1号)

この規則は、平成29年4月1日から施行する。

(平成31年3月29日規則第2号)

(施行期日)

1 この規則は、平成31年4月1日から施行する。

(経過措置)

2 平成31年8月31日までの間におけるこの規則による改正後の第8条の2の2第1項第2号(ウに係る部分に限る。)の規定の適用については、同号ウ中「5か月の期間」とあるのは、「5か月の期間(平成31年4月以後の期間に限る。)」とする。

(令和2年3月31日規則第2号)

(施行期日)

第1条 この規則は、令和2年4月1日から施行する。

(令和3年3月30日規則第1号)

この規則は、令和3年4月1日から施行する。

(令和3年12月22日規則第4号)

この規則は、令和4年1月1日から施行する。

(令和4年9月26日規則第6号)

この規則は、令和4年10月1日から施行する。

(令和5年3月29日規則第7号)

(施行期日)

第1条 この規則は、令和5年4月1日から施行する。

(令和5年3月29日規則第9号)

(施行期日)

1 この規則は、令和5年4月1日から施行する。

(経過措置)

2 令和5年度における改正後の西はりま消防組合職員の勤務時間、休日、休暇等に関する条例施行規則第20条の規定の適用については、同条中「20日」とあるのは、「25日」と、「同項の規定による日数」とあるのは、「同項の規定による日数に常勤職員との均衡を考慮して管理者が別に定める日数を加えた日数」とする。

(令和6年2月15日規則第3号)

この規則は、令和6年4月1日から施行する。

(令和7年3月28日規則第2号)

この規則は、令和7年4月1日から施行する。

(令和7年9月4日規則第8号)

この規則は、令和7年10月1日から施行する。

別表第1(第18条関係)

在職期間

日数

1か月に達するまでの期間

2日

1か月を超え2か月に達するまでの期間

3日

2か月を超え3か月に達するまでの期間

5日

3か月を超え4か月に達するまでの期間

7日

4か月を超え5か月に達するまでの期間

8日

5か月を超え6か月に達するまでの期間

10日

6か月を超え7か月に達するまでの期間

12日

7か月を超え8か月に達するまでの期間

13日

8か月を超え9か月に達するまでの期間

15日

9か月を超え10か月に達するまでの期間

17日

10か月を超え11か月に達するまでの期間

18日

11か月を超え1年未満の期間

20日

別表第2(第23条関係)

親族

日数

配偶者

7日

父母

5日

祖父母

3日(職員が代襲相続し、かつ、祭具等の承継を受ける場合にあっては、7日)

1日

兄弟姉妹

3日

おじ又はおば

1日(職員が代襲相続し、かつ、祭具等の承継を受ける場合にあっては、7日)

父母の配偶者又は配偶者の父母

3日(職員と生計を一にしていた場合にあっては、7日)

子の配偶者又は配偶者の子

1日(職員と生計を一にしていた場合にあっては、5日)

祖父母の配偶者又は配偶者の祖父母

1日(職員と生計を一にしていた場合にあっては、3日)

兄弟姉妹の配偶者又は配偶者の兄弟姉妹

おじ又はおばの配偶者

1日

画像

画像

西はりま消防組合職員の勤務時間、休日、休暇等に関する条例施行規則

平成25年4月1日 規則第20号

(令和7年10月1日施行)

体系情報
第4編 事/第3章
沿革情報
平成25年4月1日 規則第20号
平成27年3月31日 規則第1号
平成28年3月31日 規則第13号
平成29年2月24日 規則第1号
平成31年3月29日 規則第2号
令和2年3月31日 規則第2号
令和3年3月30日 規則第1号
令和3年12月22日 規則第4号
令和4年9月26日 規則第6号
令和5年3月29日 規則第7号
令和5年3月29日 規則第9号
令和6年2月15日 規則第3号
令和7年3月28日 規則第2号
令和7年9月4日 規則第8号